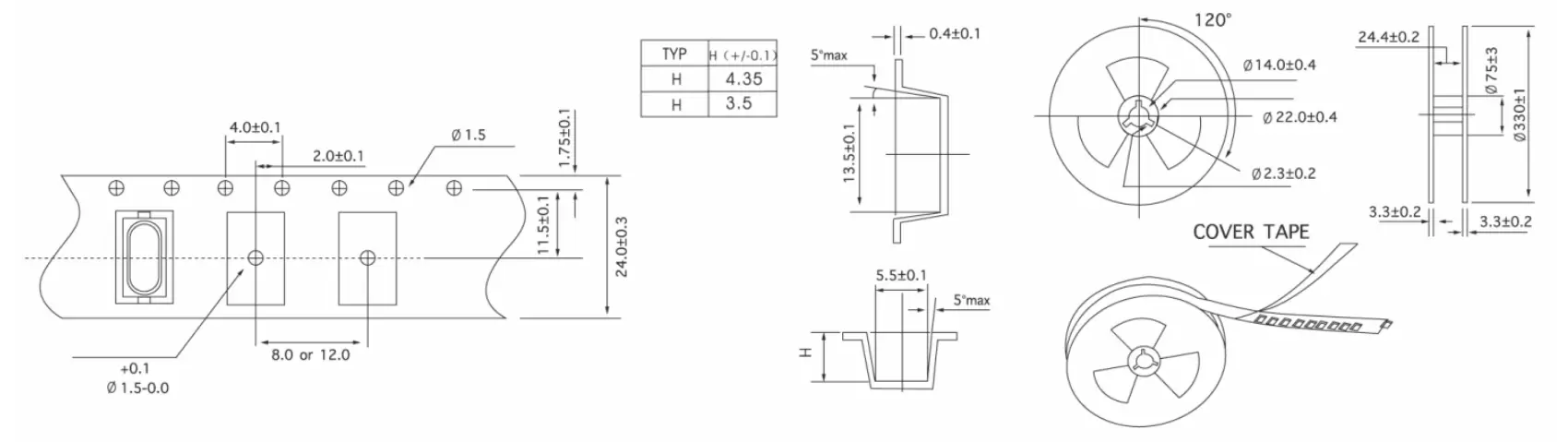
TINH THỂ THẠCH ANH
HC-49S/4PD
| KIỂU | HC-49S/SMD |
| Dải tần số | 3,5MHz~125MHz |
| Cắt tinh thể | AT;BT |
| Dung sai tần số (ở 25°C) | ±5ppm~±30ppm |
| Đặc tính nhiệt độ tần số | "AT:±2,5ppm (0℃-50℃); +5ppm (-10℃-60℃); +10ppm (-20℃-70℃); +30ppm (-40℃-85℃)" BT:±100ppm (-20℃-70℃); |
| Thời gian lưu trữ.Phạm vi | -40℃~+85℃ |
| Điện trở nối tiếp tương đương (ESR) | Xem bảng |
| Điện dung tải (CL) | 4pf~∞ |
| Điện dung song song (Co) | <5pf |
| Điện trở cách điện | >500MΩ ở điện áp DC 100V |
| Mức độ lái xe | 1μw ~100μw |
| Tuổi (Năm) | ±3ppm (Năm) |
| Tần số (MHz) | Cách thức | ESR(Ω) |
| 3.500 ≤f<4.000 | AT/FUND | 150~100 |
| 4.000 ≤f<6.000 | AT/FUND | 100~60 |
| 6.000 ≤f<10.000 | AT/FUND | 60~50 |
| 10.000≤f<15.000 | AT/FUND | 50~30 |
| 15.000≤f<35.000 | AT/FUND | ≤ 25 |
| 21.000 ≤f<40.000 | BT/FUND | ≤ 40 |
| 25.000 ≤f<100.000 | Âm bội thứ 3 | 80~60 |
| Ngoài các thông số được liệt kê trong bảng, sản phẩm có thể được thiết kế theo nhu cầu của khách hàng. | ||

*
*
*