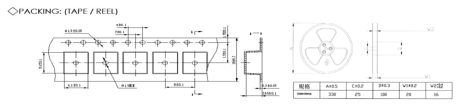
Bộ tinh thể SMD dải KHz
TF7.0x1.5
| vật phẩm | Loạt | 8038 | |
| Loại đầu ra | Cơ bản | ||
| Dải tần số (F0) | 32.768KHZ | 20K~120KHZ | |
| Độ ổn định tần số | +/-20ppm +/-50ppm | +/-50ppm +/-100ppm | |
| Phạm vi nhiệt độ hoạt động (TOPR) | -40℃~+85℃、-40℃~+125°C hoặc chỉ định | ||
| Khoảng nhiệt độ bảo quản (TSTG) | -55℃℃~+125°C | ||
| Mức độ ổ đĩa (DL) | loại 0.1uw, tối đa 1uw | ||
| Nhiệt độ chuyển đổi (Ti) | 25℃±5℃ | ||
| Hệ số parabol (B) | -0,04*10-6/℃2 tối đa | ||
| Điện dung tải (CL) | 7pF, 9pF, 12.5pF hoặc chỉ định | ||
| Điện trở chuyển động (ESR) | Tối đa 50KΩ | ||
| Điện dung chuyển động (C1) | 1.8 fF TyP. | 4,0 fF ~ 0,6 fF | |
| Điện dung song song (C0) | 0,9 pF TyP | 2,0 pF ~ 0,6 pF | |
| Lão hóa tần số (Năm đầu tiên) | Tối đa 3x10-6/năm. | Tối đa 5x10-6/năm. | |
| Ngoài các thông số được liệt kê trong bảng, sản phẩm có thể được thiết kế theo nhu cầu của khách hàng. | |||

*
*
*