Bộ dao động SMD
Gói 4 miếng đệm 7.0x5.0
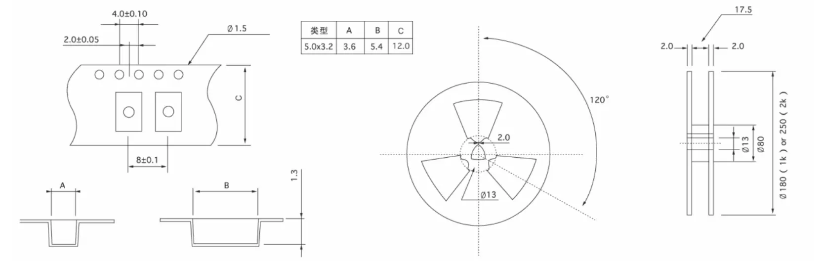
| KIỂU | KÍNH 5.0X3.2 |
| Dải tần số | 8MHz~60MHz |
| Pha lê cắt và kiểu dáng | AT/FUND |
| Dung sai tần số (ở 25°C) | ±5ppm~±30ppm, hoặc chỉ định |
| Đặc tính nhiệt độ tần số | ±10ppm (-20℃-70℃); ±30ppm (-40℃-85℃); |
| Phạm vi nhiệt độ hoạt động | -40℃~+125℃ |
| Thời gian lưu trữ.Phạm vi | -55℃~+125℃ |
| Điện trở nối tiếp tương đương (ESR) | Xem bảng |
| Điện dung tải (CL) | 6pf~∞ |
| Điện dung song song (Co) | <5pf |
| Điện trở cách điện | >500MΩ ở điện áp DC 200V |
| Mức độ lái xe | 10μw ~300μw |
| Tuổi (Năm) | ±3ppm (Năm) |
| Tần số (MHz) | Cách thức | ESR(Ω) THỦY TINH 5.0X3.2 |
| 6.000<f<20.000 <="" td=""> | AT/FUND | ≤ 200 |
| 20.000≤f<40.000 | AT/FUND | ≤ 150 |
| 40.000≤f<80.000 | Âm bội thứ 3 | ≤ 60 |
| Ngoài các thông số được liệt kê trong bảng, sản phẩm có thể được thiết kế theo nhu cầu của khách hàng. | ||

*
*
*